詳細図の各図面について⑦
2023.06.30 建築コラム
こんにちは。安良城です。
最近は雨が急に降ったり、真夏日のような暑い日があったり、
逆に涼しい日もあったりと体調管理が大変な時期になりました××
みなさまもお身体にはお気をつけくださいね!
本日も詳細図についてお話させていただきます。
今回は仕上表についてです!
仕上表とは、どんな材料を使用しているのか、どんな塗装をしているのか
どんな商品を使っているのかなど、家具に使用している詳細を記載した表になります。
分かりやすく説明すると、スーパーなどでお買い物をする際に
食品の裏側に書いてある原材料の表記と同じようなイメージではないでしょうか。
一目で何が使用されているのか、何が入っているのかがよく分かります!

↑こちらは造作洗面台の仕上表になります。
シンクや水栓の商品名やカウンターや棚に使用している、材料が示されています。

↑完成した造作洗面台がこちらです!
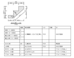
↓またこちらの造作階段の仕上表も同様に、
段板や手摺に使用されている材料を示しています。

↓完成した造作階段はこちらになります!

どのような家具にどんな材料や商品が使われているのか、お家の家具など確認してみて下さいね^^